图一 图二

坎宫:即北方,内藏壬子癸三山(顺时针排列)
壬山:由337度半至352度半之内
子山:352度半至7度半之内
癸山:7度半至22度半
艮宫:(音观)东北方,内藏丑艮寅三山
丑山:22度半至37度半
艮山:37度半至52度半
寅山:52度半至67度半
震宫:东方,内藏甲卯乙三山
甲山:67度半至82度半
卯山:82度半至97度半
乙山:97度半至112度半
巽宫:(音信)东南方,内藏辰巽已三山
辰山:112度半至127度半
巽山:127度半142度半
已山:142度半至157度半
离宫:南方:内藏丙午丁三山
丙山:157度半至172度半
午山:172度半至187度半
丁山:187度半至202度半
坤宫:西南方,内藏未坤申三山
未山:202度半至217度半
坤山:217度半至232度半
申山:232度半至247度半
兑宫:(音对)西方,内藏庚酉辛三山
庚山:247度半至262度半
酉山:262度半至277度半
辛山:277度半至292度半
干宫:西北方,内藏戌干亥三山
戌山:292度半至307度半
干山:307度半至322度半
亥山:322度半至337度半
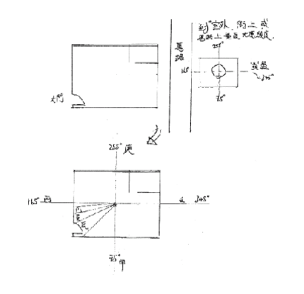
至于如何将方住配入自己的家居之内运用呢?一般最准确做法,是买一个罗盘做量度,但如果袛有指南针,亦都可以,操作方法如下:
持罗盘或指南针,走到单位以外的空旷地方,街上或平台等,面向自己的大厦,保持平行。
转动罗盘盘面,直到罗盘中央天池之内的红线与磁针南北方向重迭,然后观察罗盘平面上十字渔线的方位度数,例如,分别量得165度与345度,及75度及255度,即表示这座建筑物的排列方向为丙壬线及甲庚线了。
然后将屋定下中心点,把在街上量度了的度数分布在中心点上,这样屋内方位分布便定了,如大门入口,一般人说这是南方的门,但其实大门是屋中心的东南方辰山之内,又或者说主人房向西方,但主人房是在屋内之西北方便正确。
例一

家居风水操作上,年星是一个十分重要课题,如果忽略了年星对家居所产生的作用,这样就比较容易引起一些不大不小的问题,例如家中失物,口角吵架,容易招病,无故破财等。
所谓年星,即是年家紫白飞星,它分别由一到九的数字为代表,按年轮次序逆行九宫。所到之方位,吉者加吉,凶者加凶。
现在先逐一解释每颗年星名称和所影响事项。
一白:又名贪狼,性质属水,代表生旺之气,是上下两片元运是吉星。
二黑:又名巨门,性质属土。现在是下元地运是七运数,天运是八运数。二黑已经是退了气运,代表疾病,暗滞。
三碧:又名禄存,性质属木。坊间都称之为是非口舌,吵架之星,其实另一负面影响亦为桃花,及招引盗贼。
四绿:又名文曲,性质属木。是吉凶两半的年星,正面影响有利读书考试,和对工作升迁颇有帮助,但负面影响为喜好玩乐,不务正业,桃花淫邪之类。
五黄:又名廉贞,性质火与土之气兼备。是中央皇极,统领八宫,所到之处,有加强生死好坏作用。坏处引起瘟发病,诸事阻滞,意外受伤等。
六白:又名武曲,性质属金。武职司贵,是下元吉星,亦为贵人星。
七赤:又名破军,性质属金。在下元七运是当令之星,作旺神论,但亦要小心为官非口舌,失物招盗,或遇九为回禄之灾。
八白:又名左辅,性质属土。亦为下元吉星,主潻丁喜事,旺财星之,利商贾。
九紫:又名右弼,性质属火,有利姻缘嫁娶,遇八进财,遇七反为坏事连场,如多病,是非,火灾,破财等。
至于每年的年星会飞泊到那一个宫位﹝方位﹞,这个资料祗要翻查通胜便一目瞭然,例如2001年为辛已年,在图上中央八白,由干宫西北顺排九紫,坎宫北方四绿,艮宫东北二黑,震宫东方六白,巽宫东南七赤,离宫南方三碧,坤宫西南五黄,兑宫西方一白。
附图:

当知道以上紫白年星的料资,就可以替自己的家居做一次简单「风水检查」,最重要小心第一号煞星五黄和二黑,今年五黄二黑落在艮坤二宫相对着,所以本年坐东北向西南的房子或坐西南向东北的房子要特别小心,绝对不宜进行动土,因为两大忌神分别落在坐山位置与及朝向之上。假若胡乱动土,往后三数月之内就麻烦,故要小心。福来至,祸先临此言非虚。假若煞星飞临大门,如何化解:
五黄:可用金属,金银色的时钟,或6个铜钱。又或用玻璃器皿,内放4个金币,9个银币,注入半满粗塩,再注入清水刚及塩的高度便可。忌见红地毡或红物件。
二黑:可用四个金币﹝可用五角港元代替﹞,及9个壹元硬币,迭成圆圈便可,亦是忌见红地毡或红物件。
三碧:门口布置一张红地毡便可。
九紫到门:可用黄色地毡化煞兼催谷财运。
七赤,可用灰色地毡化七赤之凶气。
今年为蛇年,故凡是坐已向亥,坐亥向已,﹝即是坐西北向东南,或是坐东南向西北﹞的房子,本宅内,或外面看见建筑地盘,掘马路,俱为招煞,要小心小心,多无故病倒,动手术血光,或破财暗滞之类。因为已,亥两位为太岁及岁破,干巽二宫亦要特别小心。
最后,震宫东方为三煞坐镇,若需要装修房子,不可由东方开始施工。住后若动用电钻,锤子在墙上打钉,亦忌用东方位置。
本文来自互联网,【八斗命理】网站 badou.517ming.com 整理,转载请保留链接。